Microsemi 1N3595AUR開關二極管
發布時間:2025-03-21 09:02:44 瀏覽:1658

產品概述
型號:1N3595AUR
類型:開關二極管
封裝形式:金屬化鍵合,氣密封裝,雙插頭結構(DO-213AA)
符合標準:符合 MIL-PRF-19500/241 標準
電氣特性
直流電氣特性
正向電壓(VF):
在 25°C 環境溫度下,不同正向電流(IF)下的正向電壓范圍:
1mA:0.52V - 0.70V
5mA:0.60V - 0.765V
10mA:0.65V - 0.80V
50mA:0.74V - 0.88V
100mA:0.79V - 0.92V
200mA:0.83V - 1.00V
反向漏電流(IR):
在 25°C 環境溫度下,125V 反向電壓時,反向漏電流小于等于 0.002μA
在 -55°C 環境溫度下,100V 反向電壓時,反向漏電流小于等于 150μA
在 150°C 環境溫度下,125V 反向電壓時,反向漏電流小于等于 3μA
反向擊穿電壓(VBR):
在 25°C 環境溫度下,反向擊穿電壓大于等于 100V
交流電氣特性
電容:在 0V 偏壓下,電容小于等于 8.0pF
反向恢復時間(TRR):在 10mA 正向電流和 35V 反向電壓下,反向恢復時間小于等于 3.0μs
極限參數
工作溫度范圍:-65°C 至 +175°C
存儲溫度范圍:-65°C 至 +175°C
浪涌電流:
1s 正弦波:500mA
1μs 正弦波:4A
總功耗:500mW
工作電流:在 25°C 環境溫度下,最大 150mA
直流反向電壓(VRWM):125V
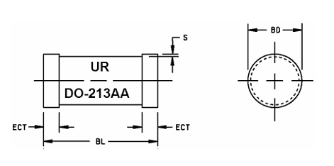
封裝尺寸
封裝類型:DO-213AA
尺寸:
長度(L):1.60mm - 1.70mm
寬度(W):3.30mm - 3.70mm
高度(H):0.41mm - 0.55mm
引腳間距(S):最小 0.03mm
設計數據
封裝:氣密封裝玻璃外殼,符合 MIL-PRF-19500/241 標準
引腳材料:銅包鋼
引腳表面處理:錫/鉛
熱阻(ZθJX):最大 70°C/W
極性:陰極端帶有標記
應用場景
1N3595AUR 適用于需要高可靠性和快速開關性能的電路,例如:
高頻開關電路
電源電路中的整流和保護
脈沖電路
軍用和航空電子設備
Microsemi 是美國高可靠性電子元器件廠商,其軍級二三級管產品,被廣泛應用于全球高端市場,深圳市立維創展科技有限公司,授權代理銷售Microsemi軍級二三級產品,大量原裝現貨,歡迎咨詢。
推薦資訊
HOLT IC?集成電路的離散轉數字組件系列為感測開路/接地和28V/開路離散信號提供了強有力的解決方案。這些機械設備通常用作簡單的傳感技術應用,例如檢測打開的艙口或門。
MYLSM00502ERPL是一款緊湊的表面貼裝DC-DC電源轉換器,尺寸為7.9 x 7.9 x 2.3毫米,適用于空間受限的嵌入式應用。它支持4.5至17Vdc的寬輸入電壓范圍,輸出電流達2.5A,輸出電壓可編程為1至5.25Vdc。該轉換器效率高達88%,具備輸出短路保護和開/關控制功能,工作溫度范圍為-40℃至+85℃,是嵌入式系統電源管理的理想選擇。
在線留言