882-032 90° PC板安裝插頭:Glenair高速超小型連接器
發布時間:2024-12-26 09:06:59 瀏覽:1135
Glenair 882-032是一款專為惡劣環境設計的高速超小型連接器,適用于10GbE以太網應用。這款連接器以其緊湊的設計、卓越的性能和耐用性,滿足了現代高速數據傳輸的需求。與 882-002、882-005、882-008 和 882-038 配接。
核心特性
高速數據傳輸:支持10GbE。
超小型設計:最小的10Gb以太網航空級連接器。
環境適應性:具備EMI保護、防水和抗沖擊振動能力。
簡易安裝:支持夾緊式后面板安裝。
耐用性:設計有2000次配對周期。
防護等級:達到IP67。
技術規格
工作溫度范圍:-65°C至+175°C。
阻抗:100歐姆。
介電電壓:100 Vrms未配對。
電流額定值:1.5 A。
絕緣電阻:至少100 MΩ @ 150 Vdc。
耐用性:2000次配對周期。
訂購指南:

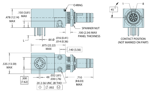
尺寸:

Glenair連接器是全球知名的高端品牌,廣泛應用于航天航空、軍用、艦載、精密制造等場合。深圳市立維創展科技有限公司,授權代理銷售Glenair產品,并提供技術支持。歡迎咨詢。
推薦資訊
Glenair?工業和鐵路連接器MIL-DTL-5015、M針對嚴格的核工業、鐵路工業和工業應用,優化了 等軍用級電源和信號連接器的高性能衍生產品。Glenair工業和鐵路連接器主要采用反向卡口等快速斷開/鎖配合技術,即使在最嚴格的工作環境、機械和電氣應用中也能提供安全可靠的性能。
Glenair? IT系列是通過MIL-C-5015G標準規定生產制造的,在材質、性能及與其它制造商產品的交換性領域滿足該標準要求。
在線留言