PmTA-721-45-2.3低噪聲放大器Princeton Microwave
發布時間:2024-12-23 09:10:01 瀏覽:1573

PmTA-721-45-2.3低噪聲放大器適用于需要高增益和低噪聲系數的應用,如通信系統、雷達和電子戰系統。
| Electrical Specifications (TA=25C) | |
| Parameters | Specifications |
| Frequency | 7 to 21 GHz |
| Small Signal Gain | 45 minimum |
| Gain Flatness | ±1.25 dB |
| Noise Figure | 2.3 dB at mid band |
| Input Return Loss | -10 dB |
| Output Return Loss | -10 dB |
| Pout | 15 dBminimum |
| Operating DC Voltage | 12 Volts |
| Operating DC Current | 100 mA |
| Connectors | SMA Female |
| DC Connector | Solder in Filter |
| Absolute Maximum Rating | |
| DC Voltage | 20 Volts |
| RF Input Power | 5 dBm |
| Operating Temperature | -40°C to85°℃ |
| Storage Temperature | -55°C to 150℃ |
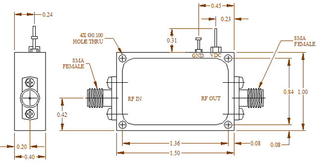
尺寸:

PmT公司自1993年起為軍事和電信市場提供高質量的微波器件,如振蕩器和放大器。該公司產品系列包括各種振蕩器、低噪聲放大器、功率放大器、功率分配器、耦合器、濾波器、混頻器等。立維創展代理分銷PmT公司產品,歡迎了解。
推薦資訊
PNDT012A0X3-SRZ是OmniOn Power的非隔離式DC/DC電源模塊,輸入電壓范圍廣泛(3V至14.4V),輸出電流高達12A,可編程輸出電壓(0.45V至5.5V)。具有PMBus協議數字接口,遠程開關、過流和過溫保護,適用于工業設備中的分布式電源架構和中間總線電壓應用。符合多項認證。
QTCV356系列VCXOs(壓控晶體振蕩器)是一款集成了5Vdc或3.3Vdc時鐘方波發生器和微型條形AT石英晶體的低高度陶瓷封裝振蕩器,適用于低電壓應用。其主要特性包括寬頻率范圍(1.000MHz到156.250MHz)、小尺寸(3.2 x 5mm)、支持HCMOS、LVHCMOS、LVPECL邏輯類型、5.0Vdc或3.3Vdc供電電壓、-40oC到+85oC的工作溫度范圍、Tri-State輸出、密封陶瓷封裝、基本和第三泛音設計、符合MIL-PRF-55310標準的軍事級篩選測試,以及無鉛和RoHS合規。該系列產品廣泛應用于槍械發射彈藥和系統、智能彈藥、儀器儀表、以太網/同步、SONET、微處理器時鐘等領域。
在線留言