Glenair 7引腳濾波器插座CB07C1L1F,CB07C2L1F,CB07C3L1F,CB07C4L1F
發布時間:2024-11-01 10:48:10 瀏覽:1395
GlenairCB07C1L1F,CB07C2L1F,CB07C3L1F,CB07C4L1F屬于CB系列“PogoPin”連接器,是一種 7針濾波鎖緊螺母插座,用于后面板安裝,專為減小高頻電氣干擾而設計,符合歐洲標準的CB07連接器規范。

| 7 Pin Filter Receptacle | |||
| Polarizing Position (White) | Polarizing Position 2 (Yellow) | Polarizing Position 3 (Green) | Polarizing Position 4 (Pink) |
| CB07C1L1F | CB07C2L1F | CB07C3L1F | CB07C4L1F |
產品概述
材質:外殼為不銹鋼,表面鍍黑鉻。
插針材質:銅合金,表面鍍金,確保良好的導電性能和耐腐蝕性。
密封性:硅膠O形密封圈,防水等級為IP68,符合MIL-STD-810標準,支持1米水深浸泡。
使用壽命:能承受5000次插拔,適合惡劣環境使用。
產品規格
電容:在25°C、1 kHz條件下為3000 pF,耐壓1 Vrms。
耐壓(DWV):最高支持50 V DC。
最大電流:2.5安培。
絕緣電阻:至少5000兆歐,保證高絕緣性能。
結構與安裝
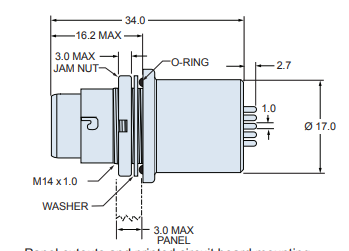
鎖緊螺母:不銹鋼材質,表面鍍黑鉻,用于固定在面板上,最大鎖緊厚度為3.0毫米。
安裝孔尺寸:M14 x 1.0螺紋安裝,適合常見面板厚度。
PCB焊接點模式:標注有安裝孔和焊接點的具體尺寸,確保匹配電路板安裝要求。
面板與電路板安裝
圖中顯示了該插座的PCB安裝孔的尺寸圖和位置標記,使得用戶可以精確安裝和連接。
其他特性
尺寸:外徑為20毫米,插孔直徑為17毫米。
O形圈位置:面板與插座接觸處有O形圈,確保防水密封效果。
插孔排列:圖中標明了各插孔的位置和角度,為插頭與插座的正確對接提供指導。
總體來說,該產品非常適合用于需要高可靠性、抗干擾能力強的電氣連接場合,尤其是在惡劣的環境中。

推薦資訊
PCB端接面板插座連接器Fischer適用于PCB端接,具有3至27個接觸點,適用于低壓信號和電源傳輸。連接器類型為插座,外殼材料為黃銅,具有IP50防護等級,采用面板前置安裝方式。廣泛應用于工業控制、通信設備、醫療設備等領域。
Glenair的7觸點面板安裝插座連接器(CB系列)專為面板安裝設計,具有不可拆卸的焊杯接觸點,支持#20 AWG標準線,接觸點鍍硬金,外殼為不銹鋼并鍍有黑色鉻酸鹽,配有硅膠面密封件,提供多種安裝風格(如后面板安裝、前面板安裝等),適用于航空航天等高要求環境。
在線留言