PMTA-0218-17-2低噪聲放大器Princeton Microwave
發布時間:2024-06-18 09:15:27 瀏覽:2549

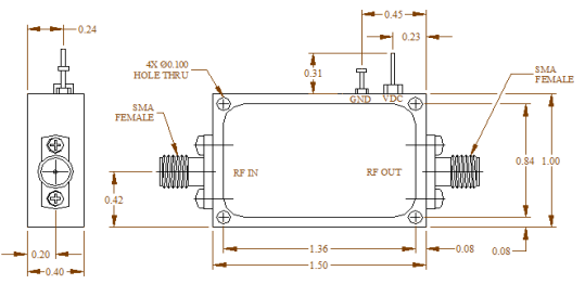
Princeton Microwave的PMTA-0218-17-2低噪聲放大器是一款專為2 GHz至18 GHz頻率范圍設計的高性能射頻放大器。它具有以下關鍵特點和規格:
- 頻率范圍: 2 GHz至18 GHz
- 小信號增益: 最小17 dB
- 增益平坦度: ±1.25 dB
- 噪聲系數: 2 dB(中頻處)
- 輸入/輸出回波損耗: -10 dB
- 最小輸出: 18 dB
- 直流工作電壓: 12 V
- 直流工作電流: 100 mA
- 連接器: SMA
- 射頻輸入功率: 5 dBm
- 工作溫度: -40℃至85℃
- 儲存溫度: -55℃至150℃
該放大器還具備內部電壓調節和偏置排序功能,確保穩定性和可靠性。作為一個密封模塊,它能在-50oC至100oC的溫度范圍內工作,適合在惡劣環境中使用??傮w而言,PMTA-0218-17-2是一款適用于需要低噪聲和高增益射頻應用的設備。
PmT公司自1993年起為軍事和電信市場提供高質量的微波器件,如振蕩器和放大器。該公司產品系列包括各種振蕩器、低噪聲放大器、功率放大器、功率分配器、耦合器、濾波器、混頻器等。立維創展代理分銷PmT公司產品,歡迎了解。
相關推薦:
相關推薦:
推薦資訊
MTI-Milliren? 405系列TCXO是一款高性能的溫度補償晶體振蕩器,專為電氣頻率調節而設計。 該系列TCXO具備多項顯著特點,首先是符合RoHS標準,在寬溫度范圍內具有嚴格的穩定性。其次,其體積小巧、外形扁平、重量輕、功耗低,按照工業標準尺寸,采用無引線芯片載體 (LCC) 超小型封裝。
VCR11N是Linear Systems一款單片雙N溝道JFET壓控電阻器,其主要特點包括電壓控制電阻、高關斷隔離、高輸入阻抗、增益范圍能力、簡化的驅動電壓、無電路交互和寬范圍信號衰減。應用領域包括放大器增益控制、振蕩器幅度控制、小信號衰減和濾波器構建等。
在線留言